As válvulas borboleta CSR foram desenvolvidas para oferecer controle de fluxo preciso, vedação confiável e baixo custo de manutenção em sistemas industriais. Produzidas no Brasil sob certificação ISO 9001, combinam qualidade, durabilidade e personalização, garantindo alto desempenho em diversas aplicações.
De 1.1/2″ a 36″
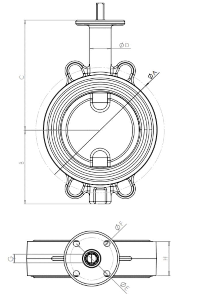
Construção e face-a-face conforme API 609 categoria A
Haste a prova de expulsão
Eixo superior guiado por mancal
Base de acionamento padrão ISO-5211
Extremidades para montagem entre flanges ANSI/ASMEB 1 6.5
Corpo com sistema de guia com 4 furos (3″ com 8 furos)
Pintura do corpo Interna e externa.

A CSR Válvulas é referência em soluções industriais com engenharia nacional e atendimento técnico especializado. Fabricamos válvulas de retenção de alto desempenho para indústrias, saneamento e distribuidores em todo o Brasil, com foco em qualidade, confiabilidade e personalização.
E, como somos fabricantes, podemos oferecer uma série de diferenciais produtivos. Além de entregas programadas e condições especiais de pagamento.
CSR Válvulas — Fabricando confiança, controlando com precisão.


Design Compacto; Nossas válvulas borboleta tipo wafer possuem um perfil fino e compacto, o que economiza espaço na instalação. Além disso, ela é projetada para ser instalada entre flanges existentes na tubulação, sem a necessidade de flanges fundidas ao corpo.
Custo-Benefício; Fabricada com menos material, a válvula borboleta CSR tipo wafer é mais econômica em comparação com outras que possuem flanges fundidas ao corpo. Isso a torna uma escolha popular para aplicações onde o custo é um fator importante.
Versatilidade; A válvula borboleta tipo wafer pode ser usada em diversas aplicações, como na Indústria Química para Controle de fluidos corrosivos, na Indústria Alimentícia para manuseio de líquidos e gases, em sistemas de Tratamento de Água e Esgoto para regulagem do fluxo, entre outras.
Facilidade de Manutenção; Como não requer flanges fundidas ao corpo, a manutenção é mais simples e é possível retirar a válvula sem afetar todo o sistema.
controle de entrada e saída de água em reservatórios, estações de bombeamento e sistemas de filtragem.
condução de produtos químicos, solventes e gases industriais, com alta resistência a corrosão e variações de pressão.
controle de líquidos sanitários, bebidas, óleos e soluções, com materiais compatíveis com normas higiênicas.
controle de passagem de ar comprimido, gases e vapores em sistemas de aquecimento e ventilação.
regulagem de fluxo em linhas de polpa, água e produtos químicos de branqueamento.
linhas de resfriamento, sistemas hidráulicos e transporte de líquidos abrasivos.
controle de fluxo em redes de distribuição de água e adutoras.
utilizadas em sistemas prediais e industriais para controle de líquidos em redes de abastecimento e drenagem.
– Ferro nodular;
– Outros sob consulta.
– Aço inox CF8 (304); – Aço inox CF8M (316); – Aço carbono WCB; – Ferro nodular; – Outros sob consulta.
– EPDM; – BUNA-N; – VITON; – Hypalon; – Silicone; – Neoprene; – SBR; – NBR; – Outras sob consulta.
– Alavanca com trava e gatilho com 10 posições; – Caixa redutora com volante e indicação de posição; – Atuador pneumático dupla ação ou retorno por mola; – Atuador elétrico.
– Válvula solenóide; – Chave de fim de curso mecânica ou indutiva; – Filtro regulador; – Posicionador eletro-pneumático 4 a 20 mAh; – Caixa de emergência; – Microbox; – Outros sob consulta.





















A CSR Válvulas é referência em soluções industriais de alta qualidade. Oferecemos produtos personalizados, suporte técnico especializado e garantia de desempenho para as mais exigentes aplicações.
A válvula borboleta tipo wafer possui corpo mais compacto e é instalada entre flanges com parafusos de travamento, ideal para sistemas com espaço reduzido. Já a válvula borboleta flangeada possui flanges integradas ao corpo, oferecendo maior robustez e facilidade na manutenção de linhas de grande diâmetro.
As válvulas CSR podem ser fabricadas com corpo em ferro nodular e disco em aço inox CF8 (304), CF8M (316), aço carbono WCB ou ferro nodular. As vedações incluem EPDM, BUNA-N, VITON, Hypalon, Silicone, Neoprene, SBR, NBR e outras sob consulta, conforme a aplicação do cliente.
São amplamente utilizadas em sistemas de água e esgoto, redes de distribuição de água potável, estações de tratamento, indústria química, petroquímica, HVAC, alimentícia, farmacêutica, irrigação, naval e geração de energia.
Sim. Todas as válvulas borboleta CSR são fabricadas sob o rigor do sistema de gestão da qualidade ISO 9001, garantindo rastreabilidade, confiabilidade e alto padrão técnico.
Sim. A CSR Válvulas é fabricante nacional e oferece produção personalizada conforme a necessidade de cada cliente, incluindo variações de pescoço curto ou longo, materiais especiais e vedações específicas para o tipo de fluido ou ambiente de aplicação.
A válvula de retenção wafer dupla portinhola é utilizada para evitar o refluxo de fluidos em sistemas de bombeamento e tubulações industriais. Ela permite o fluxo em apenas uma direção, protegendo bombas, válvulas e equipamentos contra golpes de aríete e danos por retorno de pressão.
Basta acessar a página de Contato e preencher o formulário com os dados do seu projeto. Nossa equipe técnica responderá com uma proposta personalizada em até 24 horas úteis.
Enviar mensagem